logo
China Uma maneira que passa a embreagem fabricante

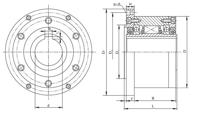
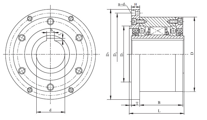
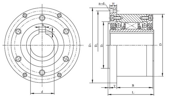
Exemplo de Montagem Consulte os Exemplos Fornecidos para Rolamento de Embreagem de Roda Livre com Faixa de Torque Nominal de 300 18256 N.m

Detalhes do produto:
Place of Origin: Shaanxi, China
Marca: CHAOYUE
Model Number: CKZF-B
Condições de Pagamento e Envio:
Minimum Order Quantity: 1 pc
Preço: USD 165.00 - 1300.00 / pc
Packaging Details: Carton box or wooden case depends on the size of products
Delivery Time: 1 - 3 weeks
Payment Terms: T/T,
Supply Ability: 500 pcs per month

Informação detalhada

Installation: Horizontal or vertical installation Rotation: Inner race rotating
Weight Range: 3.90 - 94.0 kg Outer Diameter: 128 - 380 Mm
Product Name: Inner Diameter 50mm 4000r/min Freewheel Clutch Bearing CKZF-C Weight: 3.90 - 94.0 Kg
Lubrication: Grease lubricated Non-contact Rotating Speed Range: 415 - 780 rpm to 2000 - 6000 rpm
Destacar:

Rolamento de embreagem de roda livre tipo sprag

,

Rolamento de embreagem de roda livre 300 N.m

,

Faixa de torque da embreagem de roda livre

Descrição de produto

Descrição do produto:

O produto Sprag Overrunning Clutch, também conhecido como Freewheel Clutch Bearing CKZF-C, é um componente versátil e de alta qualidade projetado para várias aplicações.Com a sua característica de chave no interior da raça, esta embreagem oferece maior estabilidade e alinhamento preciso durante o funcionamento.

Com um peso compreendido entre 3,90 e 94,0 kg, a embreagem de sobrecarga de sprag proporciona uma ampla gama de peso adequada para diferentes requisitos de máquinas e equipamentos.Se utilizadas em ambientes industriais pesados ou em aplicações mais leves, este rolamento de embreagem oferece um desempenho confiável.

O comprimento do produto varia de 70 a 214 mm, oferecendo flexibilidade na instalação e compatibilidade com uma variedade de configurações.o diâmetro externo da embreagem de sobrecorrência de sprag varia de 128 a 380 mm, assegurando uma adequação adequada para diversos desenhos e configurações de máquinas.

Quando se trata de funcionalidade, a embreagem de superação de Sprag se destaca como uma embreagem de baixa velocidade de Sprag, fornecendo transmissão e controle de potência eficientes a baixas velocidades.Sua construção robusta e engenharia precisa a tornam ideal para aplicações que exigem transferência de binário confiável e funcionamento suave.

Além disso, a embreagem de superação de Sprag também pode funcionar como um freio de montanha-russa Sprag, oferecendo capacidades de frenagem e garantindo a segurança nas operações de máquinas.Este produto permite uma rotação suave em uma direção, evitando o movimento reverso, melhorando o desempenho e a fiabilidade globais.


Características:

  • Nome do produto: Embreagem de sobrecarga de espalhamento
  • Lubrificação: lubrificada com graxa
  • Aplicação: Embreagem de sobrecarga, tipicamente utilizada em motores duplos
  • Tipo: Freewheels do tipo centrífugo
  • Diâmetro exterior: 128 - 380 mm
  • A raça interna tem uma chave.

Parâmetros técnicos:

Chaves A raça interna tem uma porta-chave.
Tipo Rodas centrífugas do tipo "sprag"
Instalação Instalação horizontal ou vertical
Faixa de dimensões 30 - 130 mm de diâmetro interno, 128 - 380 mm de diâmetro externo, 70 - 214 mm de comprimento
Intervalo de velocidade de rotação sem contacto 415 - 780 rpm a 2000 - 6000 rpm
Rotação Rotação da raça interna
Categoria de produtos Embraiagem de sobrecarga
Um exemplo crescente Ver os exemplos de montagem fornecidos
Nome do produto Diâmetro interno 50 mm 4000 r/min Rolamento de embreagem de freewheel CKZF-C
Torque 300 - 18256 N.m

Aplicações:

A embraiagem de sobrecorrência CHAOYUE CKZF-B é um produto versátil adequado para várias ocasiões e cenários de aplicação.Esta embreagem é uma escolha popular no mercado..

Um dos principais cenários de aplicação para a embreagem de superação de sprag CKZF-B é no campo dos motores duplos.fornecer uma operação eficiente e suave.

Seja para máquinas industriais, equipamentos agrícolas ou aplicações automotivas, a embreagem de sobrecarga da CKZF-B se destaca em fornecer transmissão de energia confiável.Seu projeto como uma embreagem Sprag One-Way garante que a potência é transmitida em uma direção, enquanto freewheeling na direção oposta, oferecendo um controlo e uma segurança superiores.

A embraiagem de sobrecorrência de borracha CKZF-B está equipada com rolamentos de alta qualidade, especialmente concebidos para aplicações de embraiagem, o que garante uma operação suave e uma maior durabilidade,tornando-o uma escolha confiável para várias indústrias.

Com um torque nominal de 300 a 18256 N.m. e dimensões que variam de 30 a 130 mm de diâmetro interno, 128 a 380 mm de diâmetro externo e 70 a 214 mm de comprimento,a embreagem de superação de sprag CKZF-B oferece versatilidade para atender a diferentes requisitos.

Quando se trata de encomendar a embreagem de superação de sprag CKZF-B, os clientes podem beneficiar de uma quantidade mínima de encomenda de 1 pc e uma faixa de preço de USD 165,00 - 1300.00 por peça.Termos de pagamento flexíveis com T/T aceito, e a capacidade de abastecimento é de 500 peças por mês, garantindo a entrega atempada.

Para a embalagem, os clientes podem escolher entre caixa de cartão ou caixa de madeira, dependendo do tamanho dos produtos.

Em conclusão, a embreagem de sobrecorrência CHAOYUE CKZF-B é um produto confiável e versátil adequado para uma ampla gama de aplicações.e preços competitivos, esta embreagem é a melhor escolha para as indústrias que buscam qualidade e desempenho.


Apoio e Serviços:

O suporte técnico do produto e os serviços para a embreagem de superação de espargos incluem:

- Orientação e apoio à instalação

- Assistência de resolução de problemas

- Recomendações de manutenção

- Formação e educação sobre produtos

- Apoio de garantia


Embalagem e transporte:

Embalagem do produto:

A embreagem é cuidadosamente embalada em uma caixa de papelão robusta para garantir a entrega segura.

Transporte marítimo:

Oferecemos transporte rápido e confiável para o produto Sprag Overrunning Clutch.Os clientes podem rastrear seu pacote usando o número de rastreamento fornecido para monitorar o status da entrega.


Perguntas frequentes:

P: Qual é o nome da marca desta embreagem?
A: A marca é CHAOYUE.

P: Qual é o número de modelo desta embreagem de sobrecarga?
R: O número do modelo é CKZF-B.

P: Onde é produzida esta embreagem?
R: É fabricado em Shaanxi, na China.

P: Qual é a quantidade mínima de encomenda para este produto?
R: A quantidade mínima de encomenda é de 1 pc.

P: Quais são os termos de pagamento para a compra desta embreagem de superação de Sprag?
A: Os termos de pagamento são T/T.


Exemplo de Montagem Consulte os Exemplos Fornecidos para Rolamento de Embreagem de Roda Livre com Faixa de Torque Nominal de 300 18256 N.m 0

Exemplo de Montagem Consulte os Exemplos Fornecidos para Rolamento de Embreagem de Roda Livre com Faixa de Torque Nominal de 300 18256 N.m 1

Entre em contato conosco

Incorpore sua mensagem

Você pode estar nesses